Inspiring the next generation of engineers

Every year the Engineering Product Innovation Center at Boston University invites the Girl Scouts of America in for a day of engineering exploration. As a member of the student advisory board, I was tasked with designing a product the scouts could make over a 2-hour window.

Over the course of 6 weeks, this is the nightlight I designed for the girl scouts to solder and assemble.

From Drawing to Final Product

Features: On/off switch with timed shut off, dimmer switch, automatic turn on when dark, custom laser cut front panel, laser cut side engraving, wall mounting

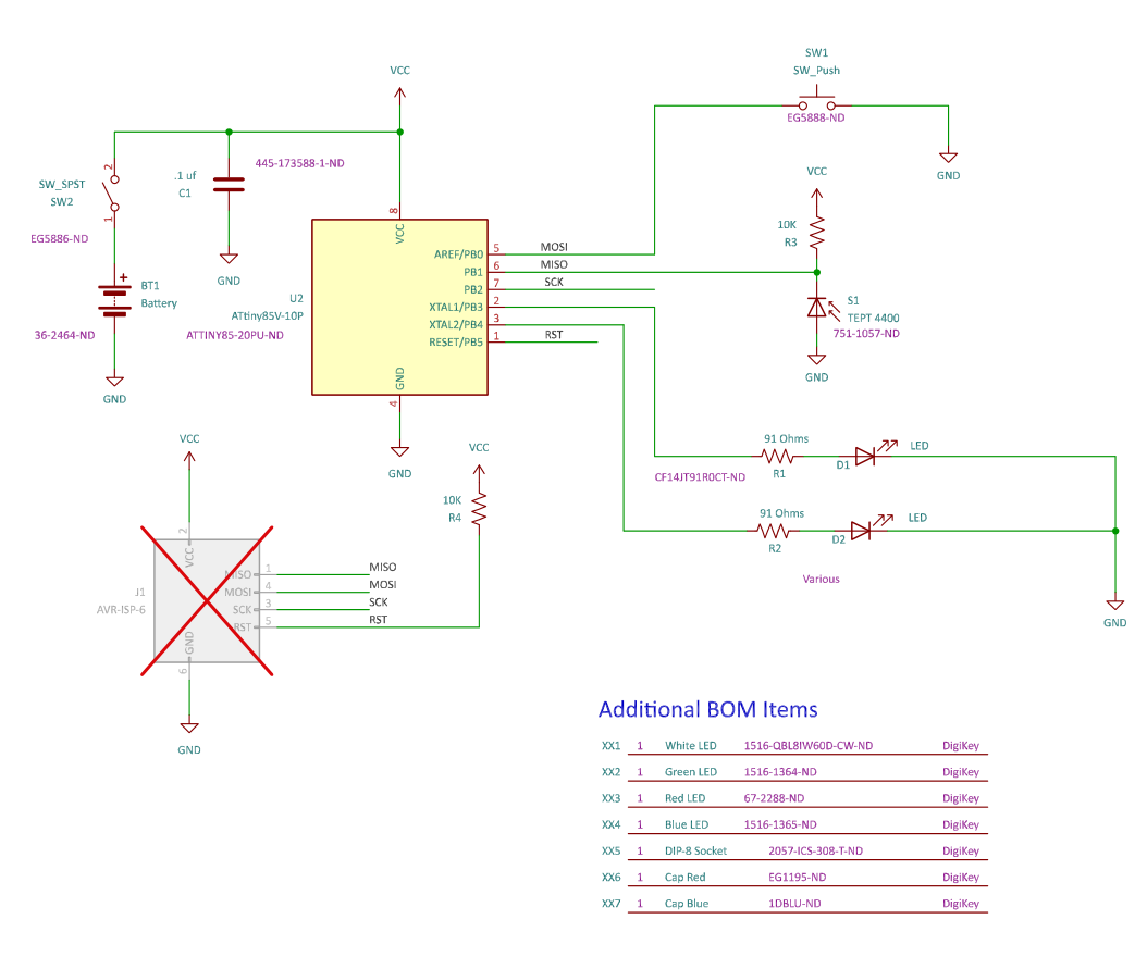
Circuitry

Designed over one week in KiCad, the short timeline did not allow for any samples to be made.

Three weeks later, 75 PCBs alongside resistors, micro controllers, and capacitors arrived, ready for testing

Designs

Working in illustrator and iterating on the laser cutter, a 5 tone swatch was developed that optimized engraving quality

Instructions

As an introduction to soldering, provided simple and clear instructions was crucial.

A soldering jig was developed to simplify complicated steps

The Event

All 23 girlscouts, ranging from 6th to 9th grade were able to complete their nightlights! It was a truly delightful event

Special thanks goes to fellow student advisory board member Mei Cable and BU circuits master Eric Hazen.

Next
Next

Motion Studies